繁體
登录
高新区基层政务公开
高新技术开发区管委会国土规划住建局
县级
2020-12-18
2020-12-18
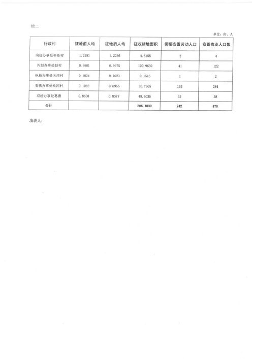
郑州市2020年度第七批城乡增减挂钩试点项目征收土地征地报批材料
主办单位:郑州市人民政府办公室
地址:郑州市中原路233号
邮编:450007
网站标识:4101000002
豫ICP备05012610号-1
豫公网安备 41010202002520号