繁體
登录
高新区基层政务公开
高新技术开发区管委会国土规划住建局
县级
2020-02-25
2020-02-26
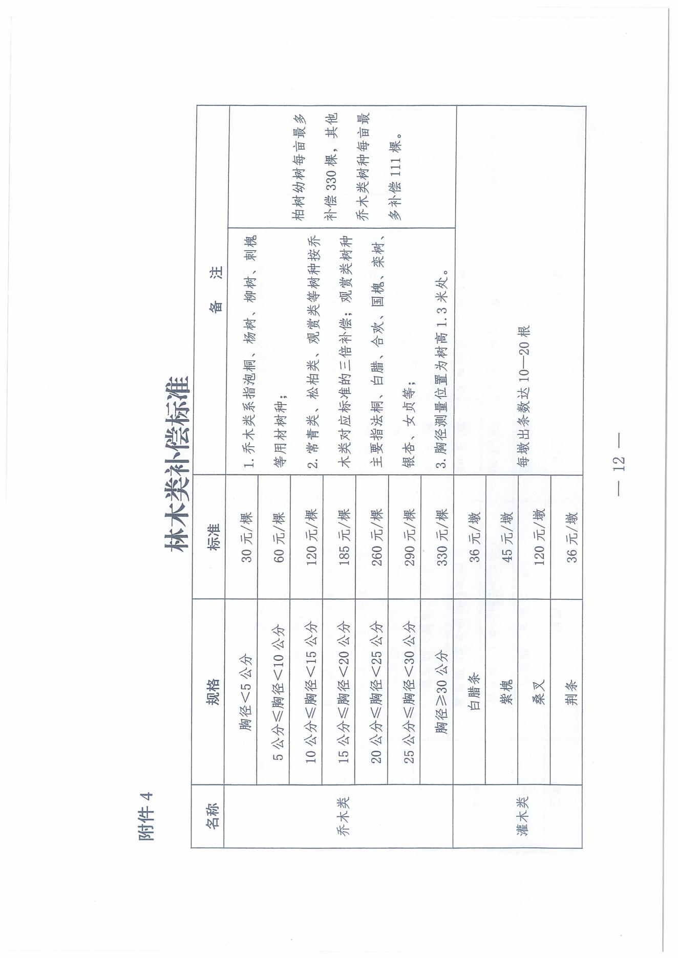
郑州市人民政府关于调整国家建设征收集体土地青苗费和地上附着物补偿标准的通知
主办单位:郑州市人民政府办公室
地址:郑州市中原路233号
邮编:450007
网站标识:4101000002
豫ICP备05012610号-1
豫公网安备 41010202002520号